

新聞資訊
由于單片機廣泛應用于工業控制、智能家居、汽車電子等領域,這些環境復雜多變,干擾源眾多,因此提高單片機系統的抗干擾能力顯得尤為重要。
寬帶隙半導體材料如碳化硅(SiC)和氮化鎵(GaN)因其卓越的性能逐漸成為行業焦點。這些材料不僅在高溫、高頻及高功率環境下表現出色,還在能源效率和系統小型化方面展現出巨大潛力。本文將深入探討SiC和G...
注于碳化硅(SiC)與氮化鎵(GaN)等寬能隙半導體產品的生產。這一舉措不僅旨在滿足日益增長的汽車半導體需求,更是安世半導體鞏固其全球半導體市場領導地位的重要步驟。
高性能、可擴展的電動汽車模塊及其他碳化硅(SiC)半導體在電動汽車動力系統中提供了顯著的效率提升。它們推動了電動汽車和電動巴士等電動出行應用
傳統保險絲的精度和響應時間可能不足以保護用于車載充電器的SiC和GaN基功率半導體設備免受浪涌電流(如微秒級短路)的影響。
這些柵極驅動器設計用于安裝在標準IGBT功率模塊的頂部,并適應模塊的機械尺寸,節省空間并簡化機械設計。
近日,全球領先的半導體及無源元件制造商Vishay Intertechnology宣布,其旗下Vishay Semiconductors業務部門成功推出16款新型的第三代1,200V碳化硅(SiC)肖...
本文將深入探討芯片如何處理數字信號,并介紹其在不同領域的應用,幫助讀者更好地理解這一關鍵技術。
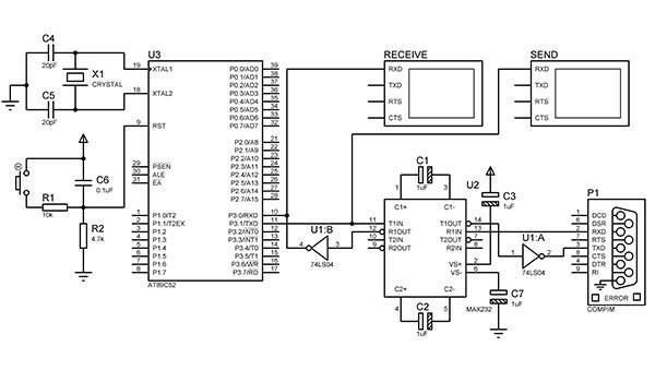
在現代電子設備中,單片機扮演著核心的角色,而串口通信則是單片機與外部設備進行數據交換的重要手段。本文將深入探討單片機串口通信的原理
MOSFET 是 Metal-oxide-semiconductor Field-effect Transistor 的縮寫,中文稱為“金屬-氧化物-半導體場效應晶體管”。這是一種在現代電子設備中極為...
在這場備受矚目的行業盛會上,芯聯集成憑借其卓越的產品性能和創新能力,榮獲了“SiC功率模塊TOP企業獎”和“2024電驅動技術創新獎”兩項殊榮。
在微控制器(MCU)的設計與應用中,首次上電初始化是一個至關重要的階段。這一過程不僅涉及到系統啟動的穩定性,還直接關系到I/O(輸入/輸出)端口的狀態管理。
電源模塊作為單片機穩定運行的基礎,其設計和配置至關重要。然而,在眾多電源模塊的設計討論中,上電時序這一關鍵因素卻鮮少被提及。本文將探討為何上電時序在單片機電源模塊中被忽視,并闡述其重要性。
光耦合器,也稱為光電耦合器、光隔離器和光學隔離器,長期以來一直是尋求為其系統信號提供電隔離的設計師的選擇。
韓國SK集團即將在本周五開始舉行為期兩天的策略會議,旨在審視并精簡其業務結構,同時集中資源發展人工智能、芯片和電池等關鍵技術領域。
直流電源是任何控制系統中常見且幾乎不可或缺的組件。直流電源系統中經常討論的一個問題是輸出與工業機械互聯的地系統的連接。
隨后,我們利用這個模型研究了NMOS晶體管的閾值電壓。本文中,我們將使用相同的模型來生成圖表,直觀地展示晶體管的電氣行為。
盡管在這個微觀世界中存在著困難和持續的壓力,工程師和科學家們仍然堅定不移地追求尖端工藝、技術和材料,以推動摩爾定律的邊界。通過在納米尺度上進行無休止的實驗,設計師和研究人員試圖發現微小的改進,這些改進...