

新聞資訊
知識專欄mosfet 是 Metal-oxide-semiconductor Field-effect Transistor 的縮寫,中文稱為“金屬-氧化物-半導體場效應晶體管”。這是一種在現代電子設備中極為重要的半導體器件,它利用電場效應來控制電流。
MOSFET是一種電壓控制多數載流子(或單極性)的三端器件。其基本符號如圖7所示。

圖8展示了不同類型MOSFET的符號。

與用于低功率信號的簡單橫向通道MOSFET相比,功率MOSFET具有不同的結構。它具有垂直通道結構,源極和漏極位于硅片的兩側,如圖9所示。

這種源極和漏極的對置布局提高了功率MOSFET處理更大功率的能力。
在這些連接中,襯底是內部連接的;然而,在某些情況下,如果襯底外部連接,符號將如圖10所示的n溝道增強型MOSFET那樣改變。由于電子的高遷移率,n溝道增強型MOSFET更為常見。

接下來,讓我們介紹一個功率MOSFET的基本電路圖(圖11)。

此外,我們還將查看連接負載的n溝道增強型功率MOSFET的輸出特性,如圖12所示。

圖11中所示的漂移區決定了MOSFET的電壓阻斷能力。
當VGS = 0時,?VDD使其反向偏置,從漏極到源極沒有電流流動。
當VGS > 0時,?電子形成電流路徑。
因此,從漏極到源極的電流流動。如果我們增加柵源電壓,漏極電流也會增加。
對于較低的VDS值,MOSFET在具有等于VDS / ID的恒定阻抗的線性區域工作。對于固定的VGS值且大于閾值電壓VTH,MOSFET進入飽和區域,其中漏極電流具有固定值。
如果XY代表負載線,則X點代表關閉點,Y點是開啟點,其中VDS = 0(因為關閉開關上的電壓為零)。開啟和關閉過程的方向也在圖13中顯示。

除了輸出特性曲線外,功率MOSFET的轉移特性也在圖14中顯示。

這里,VTH是柵源之間最小的正電壓,高于此電壓MOSFET從關閉狀態進入開啟狀態。這稱為閾值電壓,如圖12的輸出特性曲線所示。
圖11中給出的結構圖的仔細觀察揭示了功率MOSFET中嵌入了一個虛構的BJT和一個虛構的二極管結構,如圖15所示。

由于源極連接到這個寄生BJT的基極和發射極,BJT的發射極和基極短路。這意味著這個BJT處于截止狀態。
虛構的二極管陽極連接到源極,陰極連接到漏極。因此,如果我們對漏極和源極施加負電壓VDD,它將正向偏置。這意味著MOSFET的反向阻斷能力被破壞。因此,這可以用于無源負載的逆變器電路,無需在開關上過度使用二極管。它在圖16中符號化表示。

盡管MOSFET內部體二極管在大多數應用中具有足夠的電流和開關速度,但在某些情況下可能需要超快二極管。在這種情況下,外部快速恢復二極管以反并聯方式連接。但還需要一個慢恢復二極管來阻止體二極管的作用,如圖17所示。

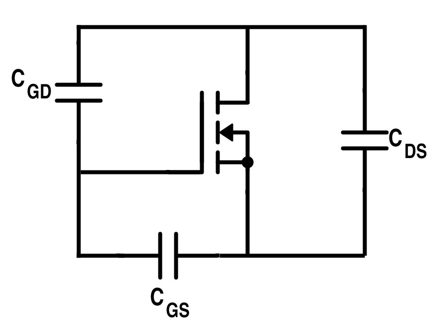
影響開關特性的一個重要參數是存在于其三個端子(即漏極、源極和柵極)之間的體電容。其表示如圖18所示。

參數CGS、CGD和CDS都是非線性的,并在特定MOSFET的設備數據表中給出。它們還取決于直流偏置電壓和設備的結構或幾何形狀。在開啟過程中,必須通過柵極對這些電容進行充電,以實際開啟MOSFET。驅動必須能夠對這些電容進行充放電,以開啟或關閉MOSFET。
因此,功率MOSFET的開關特性取決于這些內部電容和柵極驅動電路的內部阻抗。它還取決于由于載流子通過漂移區的傳輸延遲。功率MOSFET的開關特性如圖19和圖20所示。

由于輸入電容充電到其閾值電壓VTH,從t0到t1存在延遲。在此期間,漏極電流保持在零值。這稱為延遲時間。從t1到t2還有進一步的延遲,在此期間柵極電壓上升到VGS,這是驅動MOSFET進入開啟狀態所需的電壓。這稱為上升時間。通過使用低阻抗驅動電路可以減少這種總延遲。在此期間,柵極電流呈指數下降,如圖所示。對于大于t2的時間,漏極電流ID已達到其最大恒定值I。由于漏極電流已達到恒定值,柵源電壓也保持恒定,如圖20的MOSFET轉移特性所示。
對于關閉特性,假設MOSFET已經在穩定狀態下切換開啟。當t = t0時,柵極電壓降低到零值;CGS和CGD開始通過柵極電阻RG放電。這導致從t0到t1的關閉延遲時間,如圖21所示。假設漏源電壓保持固定。在此期間,VGS和IG的大小都減小,漏極電流保持在固定值,從CGD和CGS抽取電流。

對于t2 > t > t1的時間,柵源電壓是恒定的。因此,現在整個電流從CGD抽取。直到時間t3,漏極電流將幾乎達到零值;這關閉了MOSFET。這個時間稱為下降時間,此時輸入電容放電到閾值值。在t3之后,柵極電壓指數下降到零,直到柵極電流變為零。
浮思特科技專注功率器件領域,為客戶提供IGBT、IPM模塊等功率器件以及MCU和觸控芯片,是一家擁有核心技術的電子元器件供應商和解決方案商。