

新聞資訊
具體來看,意法半導體的模擬、功率與分立器件、MEMS和傳感器產品組的收入同比下降了16.2%,降至19.1億美元。
在智能硬件開發過程中,開發板和單片機作為兩種核心組件,起到了至關重要的作用。那么,開發板和單片機究竟有什么區別?本文將為您詳細解析。
MCU芯片廣泛應用于家電、汽車、醫療器械以及工業自動化等領域,推動著各類設備的智能化進程。本文將深入探討MCU芯片的功能和作用,幫助您更好地理解這一關鍵技術。
微控制器(MCU)旨在通過集成實時功能和新功能來提高消費和工業應用中電機控制和電源轉換的精度和性能。這些控制 MCU 的目標應用包括家用電器、無人機、電動工具、可再生能源產品、工業驅動器和照明以及服務...
在現代電子產品的設計與制造中,集成電路(IC)封裝技術扮演著至關重要的角色。尤其是IPM(智能功率模塊)的封裝工藝,更是對提升電氣性能和可靠性有著直接影響。
在現代智能手機和電子設備中,觸控IC(觸控集成電路)扮演著至關重要的角色。它負責將用戶的觸摸操作轉化為設備能夠理解的信號。然而,隨著使用時間的增加,觸控IC可能會出現故障。那么,我們該如何判斷觸控IC...
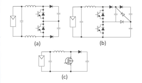
降低損耗并提高功率密度的有效方法是改善開關行為。從設備設計師的角度來看,尋求提升功率轉換系統的能效,這無疑是最佳的參數選擇。電源模塊制造商必須將現代IGBT技術納入產品中
根據海峽研究 (Straits Research)發布的一份報告,2020 年全球功率半導體行業的估值達到 400 億美元。預計到 2030 年,該價值可能會達到 550 億美元
近日,韓國半導體巨頭SK海力士(SK Hynix)正式宣布,將投入9.4115萬億韓元(約合493億元人民幣)用于在韓國龍仁半導體集群的首個晶圓廠(Fab)及相關業務設施的建設。
恒定功率負載 (CPL) 可用于各種應用,例如電動汽車、電信設備、電力電子設備等。這些 CPL 是無論施加的電壓或電流如何變化都能保持恒定功耗的電氣負載。與呈現恒定電阻的電阻負載不同,CPL 具有隨電...
寬帶隙 (WBG) 功率器件,例如氮化鎵和碳化硅,可以在幾納秒內切換高電壓。由于 dV/dt 高,WBG 功率器件會產生包含高頻諧波的波形,因此在必須進行精確測量時
1.5 kV 太陽能逆變器系統在公用事業規模項目中已變得相當普遍,因為其較高的交流電壓輸出(800V 線對線)在 1kV 系統產生 400V 交流輸出電壓的情況下,在輸出功率相同的情況下可減少電流和電...
在近幾年的數碼市場中,機械鍵盤由于其出色的觸感反饋和耐用性,逐漸成為用戶的首選。根據Market Research Future的報告,預計到2030年,機械鍵盤市場將達到36.3億美元的規模。這一增...
在現代電子電路中,MOS管(金屬氧化物半導體場效應管)是一種重要的半導體器件。它廣泛應用于開關、放大器和信號調制等多種電路中。了解MOS管的引腳結構對設計和調試電路至關重要。
在現代電子技術中,MOSFET(Metal-Oxide-Semiconductor Field-Effect Transistor)作為一種重要的半導體器件,廣泛應用于各種電子設備中。了解MOSFET...
電動汽車制造商長期以來一直努力克服阻礙廣泛采用的關鍵挑戰。續航焦慮、充電時間和電池壽命仍然是考慮轉換到電動汽車的消費者面臨的重大障礙。在更小眾的電動跑車領域
近日,Microchip Technology Inc.(微芯科技公司)隆重推出了全新的PIC64系列微處理器,以滿足現代嵌入式計算的嚴格要求,尤其是在智能邊緣計算領域的不斷發展。
隨著新能源、工業自動化和電動汽車等行業的迅速發展,IGBT(絕緣柵雙極型晶體管)模塊在電力電子領域的重要性愈加突出。選擇合適的IGBT模塊品牌,不僅影響設備的性能,還直接關系到系統的穩定性和經濟性。那...