

新聞資訊
知識專欄 1.5 kV 太陽能逆變器系統在公用事業規模項目中已變得相當普遍,因為其較高的交流電壓輸出(800V 線對線)在 1kV 系統產生 400V
交流輸出電壓的情況下,在輸出功率相同的情況下可減少電流和電纜尺寸。單個集中式 1.5kV 太陽能逆變器的額定功率通常高于 1MW,并且沒有用于最大功率點跟蹤
(MPPT) 的 DC-DC 升壓轉換器,這比 1kV 系統具有成本優勢。
MPPT 是一種用于在條件變化時最大限度地從可變電源中提取能量的技術。這些因素主要包括陽光和陰影,還有太陽能電池板溫度和負載電氣特性。通過調整負載特性來優化系統,以保持電力傳輸效率最高。
如今,1.5kV 串式逆變器解決方案在集中式系統中越來越受歡迎。串式太陽能逆變器是一種光伏逆變器,旨在串聯一組或多組光伏模塊,功率范圍從 100kW 到 400kW,并配有多個用于 MPPT 的 DC-DC 升壓轉換器。之所以叫這個名字,是因為不同的光伏模塊首尾相連,形成一個“串”。

在這些優點中,我們可以注意到從單個 MPPT 中更好地提取能量、單個逆變器單元發生故障時的停機時間更短以及更好的控制和監控。 onsemi 在 2024 年 2 月 APEC 上發表的一篇論文中提出了一種適用于 1.5kV 直流總線電壓的良好解決方案1。在本文中,作者展示了一種優化的 2kV SIC MOSFET 功率集成模塊 (PIM),適用于最大關斷電流小于 100A 的 1.5kV 太陽能升壓應用。
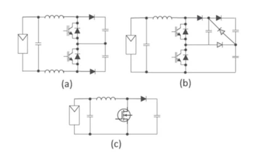
2 級升壓轉換器與 3 級升壓轉換器
圖 1 顯示了三種升壓拓撲:a) 對稱 3 電平 b) 飛行電容 3 電平 c) 單端 2 電平。
盡管 2 級拓撲顯然簡單且具有吸引力,但 3 級飛跨電容拓撲比 3 級對稱拓撲更受青睞,因為它允許對低側和高側開關(圖 1 中的 IGBT)進行交錯脈沖寬度調制 (PWM),從而使電感電流的開關頻率加倍。
飛跨電容器為輸出提供偏移,因此輸出電壓只是電壓電平的總和或差值。不過,需要額外的電路(如二極管或繼電器)來在啟動期間對飛跨電容器進行預充電并管理電壓尖峰,請參見圖 1 (c) 中的淺色二極管。
半導體解決方案
最流行的三級升壓轉換器解決方案之一由額定電壓分別為 1kV 和 1.2kV 的硅 IGBT 和 SiC 二極管組成。在占空比為 20% 至 30% 的 1.5kV 太陽能逆變器中,由于電流尾部,最主要的損耗發生在關斷時。相反,全 SiC MOSFET 解決方案可以降低關斷能量 E off。

表 1 比較了使用 IGBT PIM(NXH600Bl00H4Q2F2S1G)的飛電容三電平轉換器和使用 2 kV/20 mOhm SiC MOSFET PIM 的兩電平轉換器的損耗。MPPT 升壓轉換器假設在以下條件下運行:輸入電壓 880V、輸出電壓 1080V、輸入電流 40A、IGBT 開關頻率 f sw 16kHz 和 SiC MOSFET f sw 32kHz,因此相同的紋波電流流過 130mH 電感器。我們可以看出,IGBT 的總 E off為 2 x 52.89 = 105.78W,大約是 SiC MOSFET(54.9W)的兩倍。就總損耗而言,全 SiC MOSFET 可節省 83.23W,表明效率提高了 0.25%。這種改進還意味著典型的 12-MPPT 太陽能逆變器的損耗減少了近 1kW。
電源模塊和熱設計
1.6 kV 被認為是最高的直流母線電壓瞬變,通常由交流電網擾動引起。為此應用,已經制造了額定電壓為 2 kV 的 SiC MOSFET 器件。107mm x 47mm 封裝可容納 20 mOhm SiC MOSFET 和 50A SiC SBD(兩個 25A 芯片并聯)。在一個 onsemi Q2 封裝2中設計了 4 個 MPPT 。根據損耗模擬,一個 PIM 必須耗散 627W 的總損耗,這可以通過使用 3 毫米銅底板和較小的結到散熱器熱阻來實現。
這種凝膠填充的 PIM 中,直接鍵合銅 (DBC) 基板的設計至關重要,因此可以選擇 Al 2 O 3陶瓷材料來在性能和成本之間取得良好的平衡。
應通過分離芯片來盡量減少熱耦合效應。然而,減少換向環路電感(開關轉換期間與電路相關的寄生電感)對于減少關斷損耗和電壓尖峰也很重要,但這一目標應通過盡可能靠近芯片來實現。解決這一困境的辦法是采用反向電流路徑,這有助于減少由于磁抵消而產生的環路電感。還采用了開爾文源極引腳來提高開關速度。
結溫 T j是 PIM 設計中最大的挑戰之一。盡管 SiC 器件本身可以在 200°C 以上運行,但出于安全考慮,工作溫度不得超過 175°C。但考慮到開關過程中的溫度波動、芯片中心和芯片角落之間的溫差等,需要較低的值(150°C)。
還強烈建議留出一定的余量,以便最終結溫必須保持在 120°C 至 135°C 之間。使用有限元分析 (FAE) 進行的典型 SiC MOSFET 損耗模擬表明,對于一個 20 mOhm SiC MOSFET,假設散熱器是一個工作在 90°C 的無限冷卻板,其最高結溫為 158°C。此溫度超過了最高結溫,因此必須降低。最經濟的方式是用兩個并聯的較小芯片(每個 40 mOhm)和等效的總芯片面積替換單個 20 mOhm SiC 芯片。這種布置增加了垂直方向上的等效散熱面積,最終使 T j從 158°C 降至 137°C,從而確保合理的 PIM 壽命。
成本分析和結論
雖然 SiC 組件本身比硅 IGBT 更昂貴,但重要的是系統成本,對于 2 kV SiC 解決方案而言,該系統成本更低。這里的假設是:12 個 MPPT,每個 MPPT 控制 40A 面板輸入電流。基于 IGBT 的 PIM NXI-1600BlOOI-14Q2F2SlG 具有 3 個 MPPT,其成本假設為基線 (100%),而 2kV SiC MOSFET 升壓 PIM 的成本高出 50%。12 個 MPPT 可以用四個 IGBT PIM 或三個 SiC PIM 單元來實現。
對于每個 MPPT,兩種解決方案之間的價格差距僅為 (3 x 150% – 4 x 100%)/12 = 4.15%。我們還可以假設,飛電容 IGBT 解決方案的一個額外柵極驅動器意味著 1% 的額外成本。SiC 解決方案的熱效率更高,因為它的損耗更少;因此,我們可以假設 2 級 SiC 選項的散熱器成本降低了 1%。
此外,飛電容拓撲需要額外的電容器、更多的 PCB 硬件以及額外的拓撲專利成本和控制資源;成本增加 3% 看起來是合理的。根據上述計算,實際 SiC 解決方案的成本為 4.15% – (1%+1%+3%) = -0.85%。換句話說,2kV SiC 太陽能轉換器比基于 IGBT 的轉換器便宜 15%。
浮思特科技專注功率器件領域,為客戶提供igbt、IPM模塊等功率器件以及MCU和觸控芯片,是一家擁有核心技術的電子元器件供應商和解決方案商。