

新聞資訊
知識專欄 交流(AC)或電源適配器(或稱充電器)將墻壁插座中的交流電(AC)轉換為便攜式電子設備中的直流電(DC)。由于適配器是任何旅行者行李箱中常見的設備,因此它們應盡可能小且輕。使用當前技術如何實現這一目標?
Rohm和Sojo大學的聯合作者最近在APEC上發表的論文中,展示了一種使用GaN開關結合主側電壓箝位和150V供電的非對稱半橋(AHB)反激轉換器(以1MHz的開關頻率運行)來實現適配器小型化的新方法。
縮小適配器的難點
在不犧牲安全性、效率或可靠性的情況下實現更小的尺寸總是一個難題。適配器小型化主要有兩大障礙。第一個涉及輸入電容器的小型化,因為更高的開關頻率在這種情況下沒有幫助。其次,平面變壓器的尺寸減小仍是一個挑戰,因為線圈匝數減少會導致大的鐵芯損耗。作者提出的拓撲結構允許輸入電容器和AHB變壓器的尺寸減少約50%。包括主側交流電壓箝位器和AHB轉換器的完整電路在90到264VAC輸入電壓和20V/3A輸出下實現。
反激拓撲
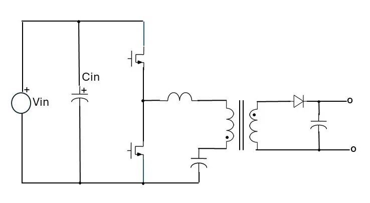
圖1顯示了一般的反激拓撲,該拓撲通過在開關周期的一半時間內在磁場中存儲能量,然后在另一半時間將能量傳遞給負載來運行。圖2展示了AHB電路的實現。反激轉換器可以利用GaN開關在低頻率(例如100kHz)下實現小型化,因為它們固有的低導通電阻可以減少損耗。相反,由于GaN FETs,AHB可以在非常高的頻率下運行,因此變壓器可以縮小到大約1MHz,從而實現更小的形狀因子。“非對稱”這個名稱指的是兩個開關在電壓處理和驅動要求方面的不平衡,因為高側開關需要浮動柵極驅動,并且其電壓應力比低側開關更高。

盡管這兩種拓撲結構都實現了一定程度的小型化,但仍存在一些問題,第一個是輸入電容Cin的尺寸。

輸入電容Cin的尺寸由其在最低Vin下的能量存儲能力決定,其耐壓與最大Vin相關。換句話說,更高的開關頻率在實現小型化方面沒有幫助。對于應承受400V的變壓器也是如此,但平面結構中的匝數有限,因此增加頻率無效并導致大的鐵芯損耗。通常,在典型的AC適配器中,Cin占總體積的約40%,變壓器約占45%。
主電壓箝位
為了克服這一缺點,可以提出一種結合主電壓箝位器和150V供電的AHB轉換器的電路拓撲,這可以減小輸入電容器和變壓器的尺寸。通過使用150V GaN開關以1MHz的頻率切換AHB轉換器,變壓器可以縮小。
電壓箝位器設計的想法與儲存在電容器中的能量相關,等于? CV2,因此將其電壓減半將理論上減少四分之一的電容體積。一般來說,箝位器的功能是通過修改其直流電平來上下移動電壓波形。
圖3中顯示了電路實現,其中Qclp是箝位FET,輸入電容Cin用于電壓箝位。在最低輸入電壓(約100VAC)下,Qclp完全導通以操作在傳統的電容輸入模式(圖4a)。在更高的輸入電壓下,電壓箝位器被激活,如圖4b所示。VAC’是整流后的交流電壓,Ic是通過Cin的充電電流。當VAC’達到V1時,Ic開始流動以充電Cin,對應的角度為a;因此,如果T?是半周期,aT?代表導通時間。當VAC達到V2時,Qclp關閉,這在角度(1-a)期間發生,此時Cin放電。

通過一些方程,可以得出角度a作為箝位電壓V2的函數;以及Cin和Ic作為V2的函數。傳統的AC適配器需要450V,而電壓箝位器的電容器需要200V。結果,如前所述,實際使用中可以減少四分之一或二分之一。具體來說,使用120mF的電解電容器時,從450V切換到200V電容器,其體積從8,260 mm3縮小到3,140 mm3。

150V供電的AHB
半橋由Q1和Q2(Rohm的GNE1040TB部件號)驅動,開關節點連接到匝數比為n=N1:N2的變壓器和諧振電容Cr。圖中的變壓器是理想的,因此應在N1并聯一個勵磁電感Lm。漏感Lkg在圖中與N2串聯。次級側二極管在關斷期間由于反向極性而導通,允許能量傳遞。
AHB轉換器可以在“電流諧振模式”和“連續電流模式”下運行。第二種模式更為有利,因為a)良好的PWM控制覆蓋廣泛的輸出電壓范圍,b)在輕載時通過勵磁電流和重載時通過漏感電流實現零電壓開關(ZVS)能力。
從CoilCraft選擇的平面變壓器通常匝數有限。計算條件為12匝主線圈、70 mT的ΔB、1 MHz的開關頻率以及標準AC輸入下的400V AHB輸入母線電壓和電壓箝位器下的150V輸入母線電壓。因此,400V母線需要一個PL300鐵芯,而150V母線需要一個PL160鐵芯,后者比前者小2.7倍。以下是通用設計方程。

其中DB是峰到峰磁通擺動,V0是輸出電壓,D是占空比,Tsw是開關周期,Ae是有效鐵芯橫截面積,NP是主線圈匝數。第二個是主要用于正弦激勵的Steinmetz經驗公式:
