

新聞資訊
知識專欄 氮化鎵(GaN)在電力轉換應用中的優勢為電源轉換器帶來了系統級的好處。智能功率模塊(IPM)通常用于提供緊湊、高效且安全的電機控制驅動。在本文中,我們將重點介紹業界首款基于GaN的IPM,目標應用包括家用電器和供暖、通風和空調(HVAC)系統。
寬禁帶半導體提高電器和HVAC系統的效率標準
家用電器占全球能源消耗的相當大一部分。早在2024年4月,美國就引入了更嚴格的能效標準,適用于洗衣機、干衣機和熱水器等常見電器,預計將在30年內為美國家庭和企業節省近1萬億美元。這些變化預計還將顯著減少溫室氣體排放。
同樣在歐盟,2023年修訂了能效目標,確保到2030年能源消耗減少11.7%,這在很大程度上是通過提高家用電器的效率來實現的。熱泵預計將取代燃氣鍋爐,成為實現碳排放目標的關鍵部分。在驅動風扇或電機的系統方面,節能主要來自于改進驅動電機所需的電力轉換以及使用損耗更低的電機。前者通常更容易且更具成本效益,能夠集成到現有解決方案中,同時仍能滿足新的、更嚴格的效率標準。
碳化硅(SiC)和GaN功率半導體在電機驅動電力轉換方面相較于傳統硅基解決方案提供了顯著的效率提升。減少的損耗轉化為更低的熱量生成,簡化了冷卻需求。這些器件中實現的更高開關頻率可以通過使用更小的無源元件在系統范圍內節省尺寸和成本。

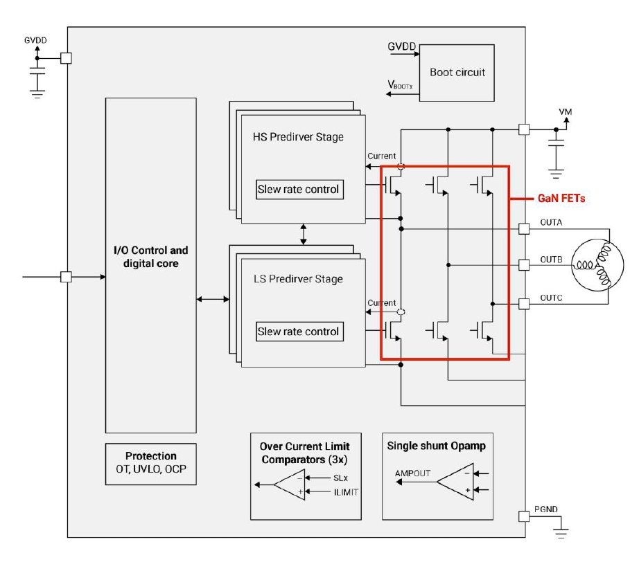
業界首款基于GaN的IPM
IPM主要與電機控制相關,是集成的電力傳輸解決方案,包括功率器件、柵極驅動器和控制電路,以及傳感和保護功能,以確保穩健可靠的運行。目前市場上的大多數IPM使用基于硅的器件,如MOSFET和IGBT。
它們的操作范圍可以有所不同,小型電器如廚房電器通常需要低于200W的功率,主要家用電器如洗衣機和干衣機或吹風機等產品需要200W到5kW不等的功率,而工業驅動則從約750W起步。基于SiC器件的IPM已在后者類別中推出,但迄今為止市場上尚未有基于GaN的IPM。德州儀器(TI)在今年的PCIM貿易展上發布了業界首款基于GaN的IPM。
這一IPM的重要特點包括:
目標應用為150–250W電機驅動。
使用650V GaN開關器件,配置為3個半橋,設計工作電壓為450V,關斷電壓額定值為650V。
開關頻率范圍廣,從非常低的值到60kHz。
在預驅動中具有可調的上升率控制,實現相節點處的dv/dt上升率低至5V/ns。
DRV7308包含了多種傳感和保護功能,如在過流事件期間集成的漏源電壓保護、用于逐周期電流限制的集成過流比較器、欠壓和短路保護、電機電流傳感的運算放大器和溫度傳感器。快速的集成過流保護在幾百納秒的時間內觸發,從而在過載條件下保護逆變器和電機。
自適應死區時間邏輯使得死區時間小于200ns,傳播時間延遲也低于200ns。
IPM封裝在一個小巧的12mm x 12mm、60引腳的無引線扁平封裝(QFN)中。
圖1展示了IPM的簡化框圖。
性能和比較
將GaN IPM與額定5A峰值電流的IGBT IPM進行比較。負載是使用2米電纜的風扇電機,在25°C環境溫度下提供0.85A的有效值繞組電流和250W的逆變器輸出。使用300VDC電源,器件在20kHz下開關。GaN的上升率配置為5V/ns。圖2顯示了兩個IPM的效率比較。GaN IPM的功率損耗顯著降低,導致效率提高約2%。

GaN IPM在電機驅動應用中的其他一些優勢包括:
傳統IPM的死區時間超過1μs,傳播延遲為500ns,限制了開關PWM占空比的操作范圍,同時也減少了可用電壓到電機。GaN IPM的低死區時間和傳播延遲有助于擴大PWM占空比范圍,從而允許設計人員在應用中創建超低和快速的速度設置,并根據負載變化實現更精細的速度控制。
基于硅IGBT和MOSFET的IPM較高的死區時間導致電機電流失真,從而增加總諧波失真(THD)。由于在低占空比操作期間死區時間的影響更大,因此GaN的更低THD在低功率傳輸時的比例優勢更大。
低延遲還允許更準確的平均電流傳感,從而提高無傳感器控制驅動器中的位置感應,改善電機效率。

低開關損耗使得GaN IPM可以使用更高的開關頻率。這可以減少繞組電流波動,從而降低電機的可聞噪聲。電容器要求可以減少以滿足傳導EMI規范。由于GaN的低寄生電感和零反向恢復,干凈的開關實現也降低了EMI。
可調的上升率可以優化繞組損耗與主動開關損耗之間的權衡。
GaN IPM已經證明在功率水平達到250W時不需要任何外部散熱器。GaN IPM的高度集成以及無需外部散熱器的組合,使得與基于IGBT的IPM相比,在250W應用中顯著節省了尺寸。圖3展示了這一點。PCB尺寸可以減少高達55%,允許逆變器更靠近電機,從而減少布線并進一步降低損耗和EMI以及系統成本。
浮思特科技專注功率器件領域,為客戶提供igbt、ipm模塊等功率器件以及MCU和觸控芯片,是一家擁有核心技術的電子元器件供應商和解決方案商。