

新聞資訊
知識專欄集成電路(IC)已經徹底改變了數字電子學,這些IC在促進數字電子學的發展方面做出了重大貢獻,提供了一系列邏輯功能和專用電路,分為不同的邏輯家族。邏輯家族指的是一組實現邏輯功能的IC。邏輯電路通常由相互連接的邏輯門組成,以執行諸如AND、OR、NOT、XOR、NAND、NOR等邏輯操作。
邏輯門并不是作為單個組件銷售的,而是包含在或多或少復雜的集成電路中。邏輯家族的特點包括供電電壓、轉換速度、功耗和噪聲特性。每個邏輯家族都有其獨特性,可以根據項目的需求在不同的背景下使用。
在眾多廣泛使用的邏輯家族中,TTL(晶體管-晶體管邏輯)和CMOS(互補金屬氧化物半導體)是最為常見的。當然,還有其他未在此討論的邏輯家族。TTL因其輸入和輸出階段都使用晶體管而得名,而CMOS則因使用MOSFET而得名。這兩種邏輯家族在制造技術上有所不同。TTL家族的供電電壓為5V,而CMOS則在3V到18V之間。兩者的邏輯值(真或假)的識別電壓水平也有所不同。無論如何,避免進入之前討論的不確定區域是明智的。
特點
這兩種邏輯家族有不同的特性,設計人員在設計電路時必須預先了解這些特性。下表突出顯示了兩種家族的不同特性,在每種情況下,務必仔細查閱相關的官方數據表。

一些示例電路
IC型號眾多,無法一一列出。不同的IC包含在單個芯片內封裝的NAND、NOR、NOT等邏輯門。作為一個非常一般的例子,圖1顯示了一些具有不同輸入的AND門,具體分類如下:
TTL:
7408:四個2輸入AND門
7411:三個3輸入AND門
7421:兩個4輸入AND門
CMOS:
CD4081:四個2輸入AND門
CD4073:三個3輸入AND門
CD4082:兩個4輸入AND門

一些配置的引腳分布不兼容,因此設計人員必須始終遵循官方使用圖。
一個通用示例
在電路中使用集成IC中的所有邏輯門并非必要。邏輯集成電路設計有多個邏輯門,例如,四個2輸入AND門或兩個4輸入OR門,但這并不意味著所有門必須同時使用。在設計電路時,只使用實現所需功能的邏輯門。例如,如果需要實現一個兩輸入的AND邏輯操作,可以使用IC中的一個AND門,而將其他門閑置。未使用的輸入可以接地。這提供了在將來需要時無需添加額外的外部組件即可使用剩余邏輯門執行其他功能的可能性。
為了理解邏輯IC的一般操作,假設如下系統:一個房子的前門配備了一個電子鎖,只有當三個應答器被激活時才能打開,邏輯圖如圖2所示。它由以下模塊組成:
三個NFC標簽及其解碼器
一個處理三個輸入的邏輯電路
一個電子鎖

有趣的是,創建此電路無需使用微控制器,盡管后者無疑是更先進的解決方案。它們是在邏輯門之后發明的,因此對于簡單電路來說,最自然的選擇是使用邏輯IC。設計有許多不同的解決方案。一種好的解決方案是使用集成電路7411(三個3輸入AND門)或CD4073(三個3輸入AND門)。系統只使用了IC中的一個AND門,其他兩個保持未使用狀態(見圖3中的原理電路圖)。如前所述,未使用的輸入最好接地。三輸入AND端口的真值表預測只有當所有三個輸入都為邏輯1時才會生成輸出信號1。因此,需要所有訪問TAG同時激活電子鎖。相應的NFC解碼器必須能夠在卡未被識別時發送低邏輯信號,如果TAG被正確識別和驗證則發送高邏輯信號。如圖所示,還提出了一個可能的PCB實現解決方案,涉及系統邏輯。

另一個防盜報警示例
與邏輯門相關的IC列表非常長。撇開較舊的型號不談,今天的市場上有非常快速和高性能的邏輯門,包括TTL和CMOS類型。在此列出并解釋市場上的所有現有類型將是非常簡略的。它們還根據集成的水平和構成不同邏輯門的內部組件進行劃分。設計人員應仔細記錄各種現有型號及其組件家族。
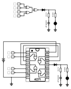
以下示例(如圖4所示)涉及一個簡單的四區防盜報警系統。傳感器可以通過檢測熱量、光線、噪音或其他的設備表示。只需至少一個傳感器被激活即可觸發報警。系統只需使用一個集成電路,例如CD4071(四個2輸入OR門),這是一個帶有四個OR門的CMOS芯片,每個輸入有兩個端口。

以下真值表顯示了電路中端口的所有可能邏輯狀態。此外,該項目有助于理解如何使用更簡單的邏輯門實現復雜邏輯門。

以下源代碼清單使用PARI/GP編寫,但可以輕松修改為任何其他編程語言,生成4個數字輸入的16種組合(2^4=16)。

圖中包含了通用接線圖(頂部)和整個集成電路4071的接線圖。由二極管、低電阻值電阻和高電容電解電容組成的電氣網絡(見圖5)使得即使驅動脈沖很短,LED燈的報警信號也能持續很長時間。該信號是模擬的,但通過適當的安排,使用未連接的第四個OR端口可以將其轉換為數字信號。

結論
集成電路對現代設備和數字系統的運行至關重要。邏輯家族提供了廣泛的解決方案,以滿足數字電子學的各種需求,并繼續推動該領域的創新,促使設備越來越強大、復雜且小型化。如果系統簡單,設計人員不需要微控制器,只需要邏輯集成電路就足夠了。浮思特科技專注功率器件領域,為客戶提供IGBT、IPM模塊等功率器件以及MCU和觸控芯片,是一家擁有核心技術的電子元器件供應商和解決方案商。