

新聞資訊
知識專欄 這今天篇文章中,我們將深入研究如何通過單片機(MCU)實現邏輯門系統。這一項目代表了學習過程中的一個具體且引人入勝的步驟,不僅提供了實踐之前所學理論知識的機會,也是一種加深對真值表理解的有用練習。通過這種綜合方法,我們的目標是提供一個全面而深入的邏輯門視角,將理論與實踐相結合,實現更豐富、更有意義的學習。
電子設備已成為我們生活的一部分,幾乎不可能離開它們。MCU有助于理解邏輯門的功能。通過基于MCU的系統,可以演示邏輯門和布爾代數的運作。此外,你會發現提供條件和比較操作的編程語言與基于邏輯門的實際系統相差無幾。通過使用LED和控制它們的開關來模擬邏輯門的功能,是一種強有力的學習工具。
我們將要創建的MCU系統包括OR、AND、NAND、NOR、XOR和NOT邏輯門。高電平用符號“1”表示,低電平用符號“0”表示。在這種情況下,“1”符號與正電壓5V相關聯,而“0”符號與0V電壓相關聯,接地。MCU和微處理器非常容易處理這些符號:事實上,它們的操作正是基于這種數字邏輯,并且它們的設計也是為了處理這種電壓差異。NOT門有一個輸入和一個輸出,而其他邏輯門可以有兩個或多個輸入和一個輸出。

圖1:單片機系統中所使用的閘門的真相表
讓我們回顧一下在我們的MCU系統中實現的邏輯門的操作。OR邏輯門處理兩個或多個邏輯信號的輸入,并在至少一個信號等于“1”時返回值“1”。如果所有信號都是“0”,輸出為“0”。AND邏輯門處理兩個或多個邏輯信號的輸入,只有當所有輸入信號都等于“1”時,輸出才返回值“1”;否則,返回值“0”。NAND邏輯門的操作等同于AND門,但其輸出是反向的。NOR邏輯門的操作等同于OR門,但其輸出是反向的。XOR門僅在其中一個輸入為“1”時返回邏輯值“1”。最后,NOT邏輯門是一個反相器,提供否定邏輯操作。它接收一個信號作為輸入并返回其反向值作為輸出。
所有邏輯門結果的總結都包含在圖1中的真值表中,清晰地描述了輸入的邏輯狀態及其相應的輸出。MCU編程不僅涉及理解與邏輯門相關的真值表,還涉及使用合適的編程語言在MCU中實現這些邏輯門的實際操作。這個過程中的關鍵階段是將邏輯門的邏輯轉換為可執行指令,確保MCU始終精確地執行程序員定義的邏輯操作。
通過我們即將構建的硬件系統,與邏輯門結果的直接互動提供了實用且具體的學習機會。通過我們的模擬器對電信號進行具體操作,大大有助于鞏固理論理解,使教育體驗對電子和編程愛好者來說更加引人入勝和有效。
使用MCU實現邏輯門
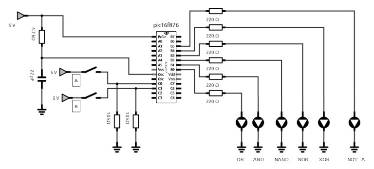
使用MCU并借助一些輸入和輸出端口,編寫一個完整的邏輯門模擬系統非常簡單。固件執行所有必要的檢查,分析輸入的邏輯狀態并計算輸出的邏輯值。結果通過一些LED二極管顯示,在這種情況下,它們充當邏輯門的監視器。圖2中清晰地展示了電氣原理圖,其顯著特點是簡單,基于PIC 16F876 MCU。

圖2:單片機邏輯門系統的電路圖
需要注意的是,可以成功采用任何類型的MCU,只需根據所選新設備的規格對固件進行適當更改。MCU必須具有足夠數量的數字門,以正確實現該項目。從電氣原理圖可以看出,用字母“A”和“B”標記的按鈕構成邏輯門的兩個輸入。按下它們中的每一個都會將MCU端口C0和C1設置為高電平(1)。否則,由于存在10kΩ的下拉電阻,它們處于低邏輯電位(0)。六個LED二極管及其相應的限流電阻表示OR、AND、NAND、NOR、XOR和NOT邏輯門的輸出。NOT門參考開關“A”的輸入,因為它只有一個輸入和一個輸出。整個系統由5V直流電源供電。系統如電氣原理圖所示,由一個22pF電容、六個LED二極管、六個220Ω限流電阻、兩個10kΩ電阻、一個4.7kΩ電阻、兩個開關或兩個常開按鈕以及一個PIC 16F876 MCU(在本例中)組成。系統不使用任何石英振蕩器,而是使用一個簡單的RC網絡。
固件
在圖3中,可以看到整個過程的流程圖。自然,可以通過消除所有邏輯條件并將比較簡化為簡單的數學和邏輯操作來簡化流程圖。令輸入為“A”和“B”,輸出為“Y”,可以使用每種編程語言的邏輯屬性進行簡化,具體的數學和邏輯功能如下:
OR:Y = A || B
AND:Y = A && B
NOT:Y = !A
NOR:Y = !(A || B)
NAND:Y = !(A && B)
XOR:Y = (A && !B) || (!A && B)
固件列表可以使用任何編譯器和不同的編程語言靈活開發,允許開發人員自由選擇最適合其技能和偏好的平臺。必須通過條件比較或必要時的數學運算來合并所有輸入端口控制,這些運算準確反映端口邏輯。這些控制對于模擬器的正確執行至關重要,并在無限循環內實現,確保邏輯操作的持續管理。我們強烈建議仔細查看所提供的流程圖作為視覺指南,以便完全理解邏輯過程。
接下來,還建議將這種邏輯轉換為與所選MCU兼容的編程語言。這種動手方法不僅有助于理解模擬器的動態,還允許更大的靈活性來定制和優化固件。一旦成功實現,固件可以加載到MCU中,準備為邏輯門模擬器提供動力,提供一個互動且具有教育意義的環境。

圖3:用單片機實現邏輯門程序的流程圖
使用該設備非常簡單。電路必須提供電源,以便相應邏輯門的LED二極管根據兩個開關“ A”和“B”的位置和邏輯狀態亮起。在圖4中,可以看到所有輸入和相應輸出的電壓水平。該版本的電路包括一些只有兩個輸入的邏輯門。
對于具有多個輸入的系統,需要修改固件,當然還有硬件部分,添加更多電子元件。對于希望擁有可執行固件文檔的用戶,可以使用下面提供的二進制代碼。使用一個好的反匯編器,可以獲得程序的匯編代碼。可以使用特定硬件將其直接加載到16F876 MCU中。

圖4:所有可能配置的輸入和輸出的邏輯級別
通過燈光標記查看結果無疑要簡單得多且更直接。實際上,以視覺或圖形形式表達的結果總是比以文本形式表達的更清晰易懂。這同樣適用于電子和數學的概念。事實上,用自己的眼睛觀察邏輯門的運行可以更徹底地理解相關理念。
結論
這個項目對大學和電子學校的教師和教授來說非常有用。使用MCU創建邏輯門模擬器代表了理解和實驗數字電子學基本概念的重要一步。通過該項目,不僅可以實際實現不同的邏輯門,還可以深入了解編程和與MCU交互的動態。這個模擬器不僅為學生和愛好者提供了寶貴的教學工具,還為進一步探索電子和嵌入式編程領域提供了堅實的起點。浮思特科技專注功率器件領域,為客戶提供IGBT、IPM模塊等功率器件以及MCU和觸控芯片,是一家擁有核心技術的電子元器件供應商和解決方案商。