

新聞資訊
近年來,碳化硅(SiC)IGBT逐漸走入人們的視野,與傳統的硅(Si)IGBT相比,具有更高的能效和更佳的熱管理性能。
在內燃機中,空氣和燃料的化學混合物被燃燒,產生極高的熱量,使廢氣膨脹,從而迫使氣缸活塞移動,導致凸輪軸旋轉并產生動能。這種動能通過齒輪傳動與車輛的車輪相耦合,將角動量轉換為線性運動。
這一預期的反彈源于市場對電子產品的強烈需求,尤其是在智能設備和數據中心等領域,AI技術的應用不斷拓展,推動了對高性能電子組件的渴求。市場分析師指出,盡管2024年上半年的銷售表現不佳,但隨著下半年技術...
隨著人們對觸摸體驗要求的提高,觸摸IC芯片的生產廠家也不斷涌現,形成了一個競爭激烈的市場。本文將為您介紹一些主要的觸摸IC芯片廠家及其在行業中的地位。
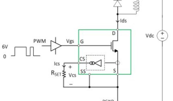
在電力電子應用中,例如反激式變換器或功率因數校正(PFC),通常需要檢測開關電流,以實現峰值/谷值電流模式控制或過流保護。如表1所示,有多種方法可用于執行此任務。
市場上產品種類繁多,質量參差不齊,如何判斷大功率IGBT模塊的好壞顯得尤為重要。本文將為您提供一些實用的判斷方法,幫助您選擇高品質的IGBT模塊。
近日,韓國媒體傳出消息,三星電子將調整對荷蘭ASML公司新一代High-NA極紫外光(EUV)設備的采購計劃,原定的引進規模可能會有所減少。這一決策若最終落實
在現代電子產品中,顯示屏驅動IC(集成電路)是不可或缺的一部分,它負責將圖像信號轉換為可視內容,確保用戶能夠獲得清晰的視覺體驗。然而,隨著技術的進步和設備的不斷小型化,驅動IC的散熱問題越來越受到關注...
在現代電子設備和電力系統中,IPM(智能功率模塊)扮演著至關重要的角色。隨著科技的快速發展,IPM模塊的應用越來越廣泛,它不僅提高了設備的性能,還提升了能效,降低了能耗。
線性模式應用如A類音頻放大器、主動直流鏈接放電、電池充放電、電流突入限制器、低壓直流電機控制或電子負載等,要求功率MOSFET在電流飽和區域內工作。
當地時間8月16日,美國商務部與模擬芯片巨頭德州儀器(Texas Instruments Inc.)達成了一項突破性的初步協議,決定向該公司提供高達16億美元的撥款及30億美元的貸款。
在設計和實現MOS管開關電路時,上拉電阻和下拉電阻是兩個非常重要的元件,它們在電路中的功能和應用各不相同。本文將詳細探討這兩種電阻的區別及其在MOS管開關電路中的重要性。
隨著工業自動化的快速發展,對電動馬達驅動器的效能和可靠性要求越來越高。特別是在低壓工業應用中,如何提高馬達驅動器的效率、減小體積、降低能耗,成為了研究的熱點。
隨著科技的不斷進步,USB(通用串行總線)已成為現代電子設備中不可或缺的一部分。無論是數據傳輸還是設備供電,USB都以其高效、便捷的特性被廣泛應用于各種產品中。
8月15日晚間,全球領先的半導體制造巨頭臺積電宣布了一項重大資產收購交易,正式與群創光電達成協議,以高達171.4億元新臺幣(折合人民幣約37.88億元)的價格
觸控IC作為現代智能設備中至關重要的組成部分,承擔著用戶與設備之間的交互功能。然而,隨著使用時間的增加,觸控IC也容易出現故障,影響設備的正常使用。那么,如何判斷觸控IC是否壞了呢
這兩種技術的主要區別特征是帶隙(或能隙),以電子伏特(eV)為單位,SiC和GaN的帶隙分別為3.2 eV和3.4 eV,是主流硅材料的三倍。
倒變降-升壓電路產生的負電壓的幅度可能高于或低于可用的正電壓。例如,可以從 +12 V 生成 -8 V 或甚至 -14 V。