

應用領域
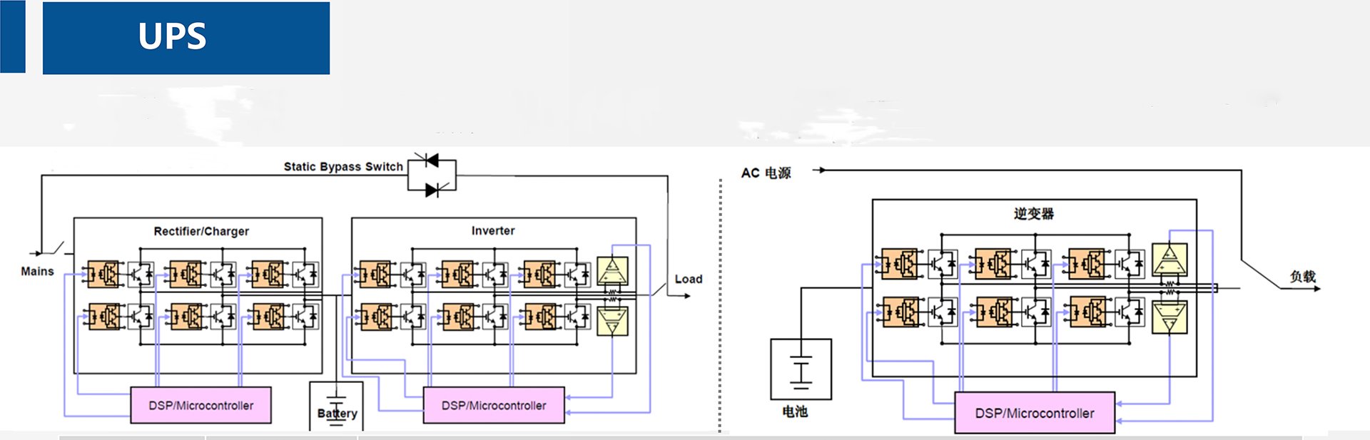
電力新能源應用 本方案主要針對UPS(不間斷電源裝置)進行設計,采用了IGBT(絕緣柵雙極晶體管)、FRD(快恢復二極管)、碳化硅二極管和電流傳感器等核心部件,實現對電源的穩定供應和高效管理,并實現了對電源系統的智能監控。
方案內容
IGBT模塊的應用:
IGBT是一種高效的電源開關裝置,其作用是將輸入的交流電轉換為直流電,然后再將直流電轉換為所需的交流電。由于IGBT具有低導通電壓、高開關頻率和優秀的電流驅動能力等特性,使得UPS電源能夠實現小型化和高功率輸出。
FRD和碳化硅二極管:
FRD和碳化硅二極管用于提高系統的效率和可靠性。FRD可以在瞬間恢復其正向導電能力,有效防止電壓反沖,提高系統的穩定性;碳化硅二極管則具有高電壓、高溫、高頻和高功率等優秀性能,能夠顯著提高系統的整體性能。
電流傳感器的應用:
電流傳感器用于實時監測UPS電源的電流變化情況,當電流超過設定閾值時,電流傳感器會輸出警報信號,保護電源系統不受過大電流的破壞。
智能監控系統
通過將以上部件和智能監控系統相結合,我們可以實時監測UPS電源的工作狀態,包括電源的輸入/輸出電壓、電流、功率等參數,同時也可以對電源進行遠程控制和管理。當系統出現異常時,智能監控系統可以及時發出警報,并自動切換到備用電源,保證系統的穩定運行。
通過采用高效的IGBT、FRD、碳化硅二極管和電流傳感器等部件,以及智能監控系統,我們的UPS電源方案不僅可以實現穩定、高效的電源供應,還可以實現對電源系統的智能化管理和控制,大大提高了電源系統的安全性和可靠性。
